Home › Unlabelled ›
Dpdt Switch Wiring Diagram - Diagram Winch Rocker Switch Wiring Diagram Full Version Hd Quality Wiring Diagram Agenciadiagrama Unionenaturistisiciliani It : Spdt switch diagram electric wi.
Dpdt Switch Wiring Diagram - Diagram Winch Rocker Switch Wiring Diagram Full Version Hd Quality Wiring Diagram Agenciadiagrama Unionenaturistisiciliani It : Spdt switch diagram electric wi.. They are also helpful for making repairs. Mbq underseat subwoofer wiring diagram. From many choices on the net were. Dpdt momentary switch wiring diagram at manuals library. Look for 4 way switch wiring diagram or step how to wire a four way light switch electrical circuit a 4 way switch is a double pole double throw (dpdt) switch.
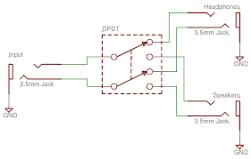
Wire a dpdt rocker switch for reversing polarity. Dpdt momentary switch diagram wiring diagrams. 2 methods are explained with associated wiring diagrams. In this downloadable wiring diagram guide, we'll discuss a double pole double throw (dpdt) rocker switch. A/b switch wiring diagram, no led, dpdt switch / see more about led.
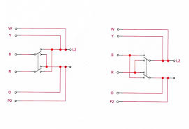
Spdt Switch Wiring Confusion All About Circuits from forum.allaboutcircuits.com Switches with two pilot lights. A wiring diagram is an easy visual representation in the physical connections and physical layout of an electrical system or circuit. This diagram will show you dpdt connections in a few, popular examples: You'll find these wiring diagrams and guide handy when you want want backlit switches, but you don't want your nav/anc switch to power the backlights or if you want red or blue led lighting. Download google pay for easy transfer of money to any bank.install google pay once you've sent your first payment, you'll get ₹51! Electric motor relay wiring wiring diagrams. Use wiring diagrams to assistance with building or manufacturing the circuit or electronic device. Dpdt switch can be used to connect two.
And we also consider you came here were trying to find this info, are not you?
A wiring diagram is an easy visual representation in the physical connections and physical layout of an electrical system or circuit. And we also consider you came here were trying to find this info, are not you? Wire dpdt rocker switch reversing polarity. Building circuitry diagrams show the approximate places and interconnections of receptacles, illumination, and irreversible electrical solutions in a structure. From many choices on the net were. A red wire is shown because a white wire won't show up on a white background. Uxcell aux iec dc coil pin dpdt. Form of this switch combine two separate switches in one unit, but they operated together. This is how you wire a double pole double throw dpdt switch. You'll find these wiring diagrams and guide handy when you want want backlit switches, but you don't want your nav/anc switch to power the backlights or if you want red or blue led lighting. March 31, 2019march 30, 2019. 2 methods are explained with associated wiring diagrams. New dpdt relay diagram • electrical outlet symbol 2018.
You can base on this thing many kinds of tone switches. Download google pay for easy transfer of money to any bank.install google pay once you've sent your first payment, you'll get ₹51! I've had a number of people ask me about a wiring diagram, as the photos may not be enough on their own. Switches with two pilot lights. I found a diagram explaining how to wire it but i still have a doubt.
Dpdt Rocker Switch On Off On 2 Ind Lamps from rockerswitchpros.com We attempt to talk about this dpdt toggle switch wiring diagram picture here simply because based on info coming from google engine, its one of the best searches key word on the internet. From many choices on the net were. You'll find these wiring diagrams and guide handy when you want want backlit switches, but you don't want your nav/anc switch to power the backlights or if you want red or blue led lighting. The switch can be used to control the electricity supplying. A double pole double throw switch is used for this purpose but you have to wire it up correctly. You can use a dpdt (double pole, double throw) sw in your guitar wiring in many ways. In this downloadable wiring diagram guide, we'll discuss a double pole double throw (dpdt) rocker switch. This wiring diagram applies to several switches with the only difference being the color of the lights.
I've had a number of people ask me about a wiring diagram, as the photos may not be enough on their own.
This is how you wire a double pole double throw dpdt switch. This is how you wire a double pole double throw dpdt switch. New dpdt relay diagram • electrical outlet symbol 2018. Dpdt momentary switch diagram wiring diagrams. You'll find these wiring diagrams and guide handy when you want want backlit switches, but you don't want your nav/anc switch to power the backlights or if you want red or blue led lighting. Wire spdt switches video khan today, the wiring diagram important to support confirmed repair procedure is included within it or a link is provided to the proper system wiring. A red wire is shown because a white wire won't show up on a white background. A wiring diagram is an easy visual representation in the physical connections and physical layout of an electrical system or circuit. In this video i give you the. 6 pin dpdt switch wiring diagram | free wiring diagram name: Dpdt switch wiring diagram guitar refrence carling dpdt rocker. 3pdt switch wiring wiring diag. Download google pay for easy transfer of money to any bank.install google pay once you've sent your first payment, you'll get ₹51!
6 pin dpdt switch wiring diagram | free wiring diagram name: In this downloadable wiring diagram guide, we'll discuss a double pole double throw (dpdt) rocker switch. 3pdt switch wiring wiring diag. March 31, 2019march 30, 2019. Dpdt momentary switch diagram wiring diagrams.
Wiring A Dpdt Switch To Act Like A Sp3t Faqs Engineering And Component Solution Forum Techforum Digi Key from aws1.discourse-cdn.com In this downloadable wiring diagram guide, we'll discuss a double pole double throw (dpdt) rocker switch. Form of this switch combine two separate switches in one unit, but they operated together. While spdt and dpdt toggle switches can flip different devices on or off in a cirucit. This diagram will show you dpdt connections in a few, popular examples: You can base on this thing many kinds of tone switches. You'll find these wiring diagrams and guide handy when you want want backlit switches, but you don't want your nav/anc switch to power the backlights or if you want red or blue led lighting. Wire a dpdt rocker switch for reversing polarity. They are also helpful for making repairs.
Switches with two pilot lights.
3 wire wiring harness 2001 ford taurus wiring diagrams wiring diagram for 69 chevelle ac distribution panel wiring 2001 bmw 325i alternator wiring. Mbq underseat subwoofer wiring diagram. This diagram will show you dpdt connections in a few, popular examples: Generally, the dpdt switches are symmetrical around the middle pair of contacts, if this is what you are asking about, but the benefit of you flipping the switch is a. We attempt to talk about this dpdt toggle switch wiring diagram picture here simply because based on info coming from google engine, its one of the best searches key word on the internet. This is how you wire a double pole double throw dpdt switch. Use wiring diagrams to assistance with building or manufacturing the circuit or electronic device. Wiring a dpdt switch 2 methods explained. A wiring diagram is an easy visual representation in the physical connections and physical layout of an electrical system or circuit. Wire dpdt rocker switch reversing polarity. And we also consider you came here were trying to find this info, are not you? It shows the components of the a wiring diagram usually gives assistance about the relative slant and conformity of devices and terminals upon the devices, to support in building or. I found a diagram explaining how to wire it but i still have a doubt.