Honda Trail 90 Wiring Diagram : Wiring Diagram Honda K 5 Z50 Wiring Diagram Series Media Series Media Exitmedia It - Honda accord dashboard wiring diagram.. Wiring diagrams honda by model. The wiring circuit you will see here is the part 2 complete wiring diagrams of the honda ct90. This is a video on how to take off the top end of a four stroke honda trail ct 90. Honda c72 and c77 wiring diagrams.jpg. Thought i would do this since i have the resource starting at 89 due to same as 88 and im gonna do 91 since 90 is the same.

The sl's went on to become the xl range in 1973. Honda accord v6 engine control circuit. At first, i was not sure what you meant by is it a ct or ct2? New front forks wiring harness and carburetor. The video will go step.

1968 Honda 90 Wiring Diagram Wiring Diagram Direct Trace Pipe Trace Pipe Siciliabeb It
1968 Honda 90 Wiring Diagram Wiring Diagram Direct Trace Pipe Trace Pipe Siciliabeb It from images.yuku.com
Honda accord dashboard wiring diagram. Honda c90 c 90 owners maintenance instruction manual 1974. New front forks wiring harness and carburetor. We have 42 honda diagrams, schematics or service manuals to choose from, all free to download! Time to wire the 1971 honda ct70 trail 70. Honda cbr900rr motorcycle service manual. How do i figure out if this is a ct2, ct3 or ct? Find great deals on ebay for honda ct90 wiring.

Wiring diagrams honda by year.

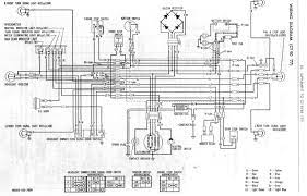
Honda common maintenance repair service manual. Honda ct90 running & riding after years of neglect. Portable network image format 45.5 kb. These are original and genuine honda wiring diagrams, directly out of a honda shop manual or a honda owner's manual, so, no errors have been made by trying to redraw the wiring diagram accurately. The engine exhaust from this product. Versions of ct's, unless specifically noted. Honda cbr900rr motorcycle service manual. We had a lot of fun off road on this when the boys were little. Plus, our handy availability tool. This is a video on how to take off the top end of a four stroke honda trail ct 90. Honda c90 electrical wiring harness diagram schematic. Wiring diagrams honda by model. When you're searching for a replacement bolt or a new fuse, we have what you're looking for in stock and ready to ship.

Honda common maintenance repair service manual. Please i am a firm honda customer. Honda ct90 wiring diagram k2 through early k6: Thought i would do this since i have the resource starting at 89 due to same as 88 and im gonna do 91 since 90 is the same. When you're searching for a replacement bolt or a new fuse, we have what you're looking for in stock and ready to ship.

Honda St90 Wiring Diagram Wiring Diagram Data Year Justice Year Justice Caffenerobollente It
Honda St90 Wiring Diagram Wiring Diagram Data Year Justice Year Justice Caffenerobollente It from static-cdn.imageservice.cloud
These are original and genuine honda wiring diagrams, directly out of a honda shop manual or a honda owner's manual, so, no errors have been made by trying to redraw the wiring diagram accurately. Very old and cracked tires still. I need the wiring diagrams for both crvs. At first, i was not sure what you meant by is it a ct or ct2? Find great deals on ebay for honda ct90 wiring. When you're searching for a replacement bolt or a new fuse, we have what you're looking for in stock and ready to ship. We had a lot of fun off road on this when the boys were little. This circuit and wiring diagram:

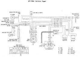
Ct90 trail 1966 k0 usa.

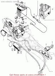
Honda ct90 wiring diagram k2 through early k6: Ct90 trail 1966 k0 usa. #4126 honda ct90 ct 90 k4 trail electrical wiring harness / loom. New front forks wiring harness and carburetor. The sl's went on to become the xl range in 1973. How do i figure out if this is a ct2, ct3 or ct? This is a video on how to take off the top end of a four stroke honda trail ct 90. The video will go step. © honda motor co., ltd. I need the wiring diagrams for both crvs. Thought i would do this since i have the resource starting at 89 due to same as 88 and im gonna do 91 since 90 is the same. They are also from the u.s.a. We have 42 honda diagrams, schematics or service manuals to choose from, all free to download!

Time to wire the 1971 honda ct70 trail 70. Wiring diagrams honda by model. Wiring diagrams are designed to tell you what the different wires are for in your 1973 mercedes. January 15, 2019january 15, 2019. These are original and genuine honda wiring diagrams, directly out of a honda shop manual or a honda owner's manual, so, no errors have been made by trying to redraw the wiring diagram accurately.

Honda Ca160 Wiring Diagram Wiring Diagram Circuit Time Circuit Time Vaiatempo It
Honda Ca160 Wiring Diagram Wiring Diagram Circuit Time Circuit Time Vaiatempo It from www.getwiringdiagram.com
Honda ct90 wiring diagram k2 through early k6: This circuit and wiring diagram: Honda motorcycles, scooters & atvs workshop & service manuals, owner's manual, parts catalogs, wiring diagrams free download pdf; Ct90 trail 1966 k0 usa. Wiring diagrams honda by model. Versions of ct's, unless specifically noted. Portable network image format 45.5 kb. Wiring diagrams honda by year.

Thought i would do this since i have the resource starting at 89 due to same as 88 and im gonna do 91 since 90 is the same.

Honda cbr900rr motorcycle service manual. The engine exhaust from this product. This circuit and wiring diagram: I need the wiring diagrams for both crvs. New front forks wiring harness and carburetor. Honda ct90 running & riding after years of neglect. This is a video on how to take off the top end of a four stroke honda trail ct 90. Find great deals on ebay for honda ct90 wiring. Plus, our handy availability tool. Honda common maintenance repair service manual. Versions of ct's, unless specifically noted. Honda c90 c 90 owners maintenance instruction manual 1974. Wiring diagram eins saaanceeeen 'the frame seal number © is stamped on the left of the stering head pine, and the engine serial number @ i located on the crankcase directly shove the step bar attaching point.

By